安全集团
加入收藏
设为首页
首页
关于望美
集团简介
下属公司
沙河市安全实业有限公司
望美实业集团有限公司
天津中玻北方新材料有限责任公司
中玻(朝阳)新材料有限公司
天津望美供应链科技有限公司
企业优势
管理团队
获得荣誉
发展历程
厂区规划
企业文化
愿景
使命
价值观
企业精神
社会责任
新闻中心
企业新闻
行业新闻
公示公告
产品展示
龙玻
平板玻璃
中玻新材
镀膜、钢化、中空
望美门窗
门窗
人在望美
企业面貌
鸟瞰图
厂区面貌
工作现场
食堂宿舍
员工风采
集体活动
原创美文
职业发展
薪酬福利
招贤纳士
社会招聘
校园招聘
内部招聘
在线留言
客户留言
客户留言
查看客户留言
员工留言
员工留言
查看员工留言
服务中心
客户投诉
采购招标
联系我们
自助订货
望美实业
采购派车
审核平台
销售派车
新闻中心
企业新闻
新闻中心
企业新闻
行业新闻
公示公告
品牌官网
望美门窗
投票统计
在线留言
联系方式
0319—5010016
上午8:00-12:00
下午14:00-18:00
企业新闻
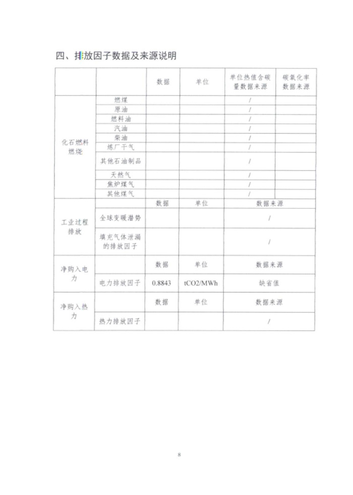
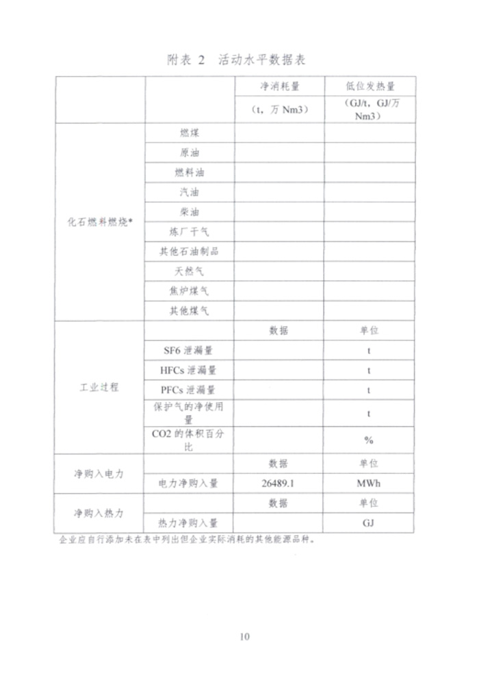
望美实业集团有限公司2021年度温室气体排放报告
发布时间:2023/1/6
上一条:
望美实业集团有限公司2021年度社会责任报告
下一条:
望美实业集团有限公司2021年度产品碳足迹核查报告